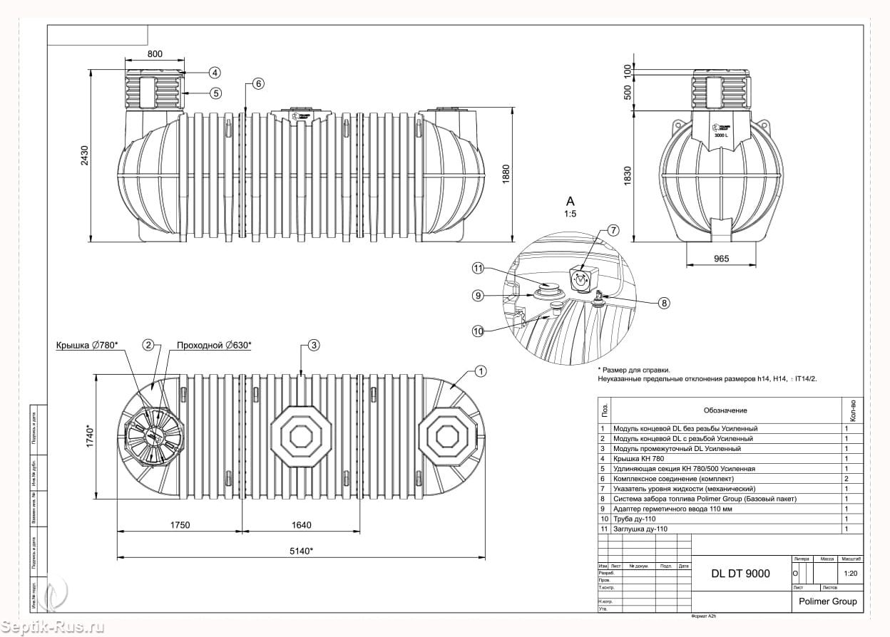
Polimer Group DL DT 9000

Технические характеристики цилиндрической емкость м³
  • Фактический объем камеры: 9 м³
  • ДхШхВ: 5.14x1.74x2.43 м
  • Диаметр горловины: 800 м
  • Материал корпуса: Полиэтилен
  • Вес: 444 кг
  • Температура эксплуатации: -30°C до +60°C

Цена:

335 500 ₽

Цена "под ключ":

Смотрите смету