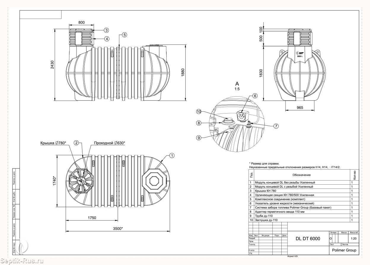
Polimer Group DL DT 6000

Технические характеристики цилиндрической емкость м³
  • Фактический объем камеры: 6 м³
  • ДхШхВ: 3.5x1.74x2.43 м
  • Диаметр горловины: 800 м
  • Материал корпуса: Полиэтилен
  • Вес: 288 кг
  • Температура эксплуатации: -30°C до +60°C

Цена:

226 000 ₽

Цена "под ключ":

Смотрите смету